OBC
Application Overview
Application Overview
OBC (on board charging) is mainly used for fast charging of EV battery packs. Responsible for converting the high-voltage AC input from the power grid into low-voltage DC power and quickly charging the EV battery pack.
OBC
Application System Diagram
Application System Diagram
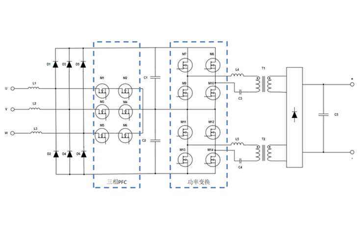
OBC
Application Topology Diagram
Application Topology Diagram
OBC
Recommended Products
Recommended Products
IGBT Discretes Product List
| Part Number | VCE(V) | Ic(A)@100℃ | Vcesat(V) @25℃ typ |
Eon(mJ) | Eoff(mJ) | Package | Datasheet |
|---|---|---|---|---|---|---|---|
| MPBW50N65ED | 650 | 50 | 1.6 | 0.9 | 1.12 | TO-247 | Download |
Silicon-based chip and module series
Third generation semiconductor chip and module series